This is a type of butterfly valve that uses a worm gear mechanism to operate the butterfly valve's disc.
This design allows for precise control and is commonly used in applications requiring manual operation with high torque or where fine adjustment is needed. The PPH construction provides superior chemical and thermal resistance, making it ideal for handling corrosive media in industrial processes.
Stem: Stainless Steel (SS304/SS316) for corrosion resistance and durability.
Worm Gear Operator: Provides smooth, high-torque operation for larger valves, allows fine-tuned flow adjustment.
Precise Control: Allows gradual opening/closing.
High Mechanical Advantage: Reduces effort needed to operate large-diameter valves.
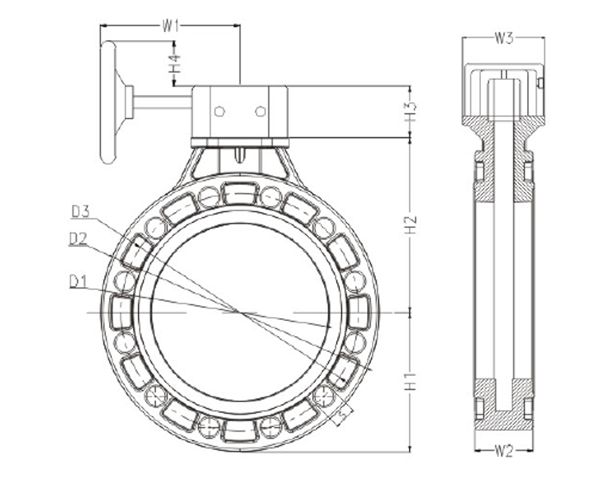
Technical Parameter
Size: 2"~12"
Flange end: DIN/ANSI/JIS/CNS
Pressure Rating: PN16
