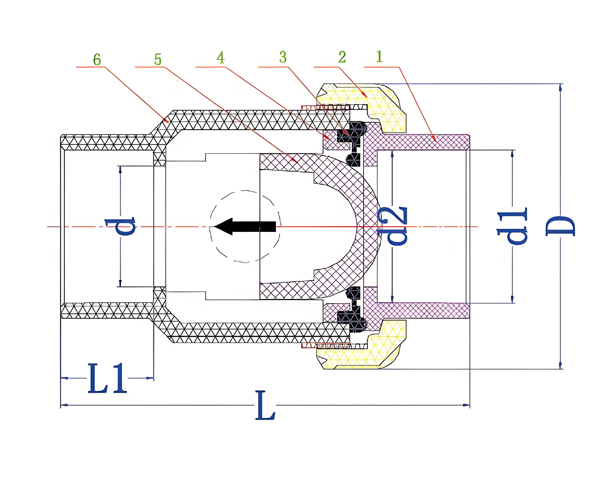
A PPH Single Union Ball Check Valve is a specialized check valve combining a ball check mechanism with a single union connection (versus the dual unions in a True Union design).
It shares the same core function as True Union ball check valves - permitting unidirectional flow while preventing backflow. However, its single-union construction offers a more budget-friendly alternative, letting customers choose based on their specific needs.
| Comparison to True Union Ball Check Valve: | ||
| Feature | Single Union Ball Check Valve | True Union Ball Check Valve |
| Unions | One union, one fixed connection | Two unions (both ends detachable) |
| Maintenance | Easier than fixed valves but not fully removable | Fully removable without pipe cutting |
| Cost | Lower | Higher |
| Installation Flexibility | Moderate | High |
Technical Parameter
Size: 1/2" (DN15)~4" (DN100)
Socket: DIN/ANSI/JIS/CNS
Thread: PT/NPT/BSPT
Pressure Rating: 1/2" (DN15)-2" (DN50) PN16 2-1/2"(DN65)-4" (DN100) PN10
