A butterfly valve is a quarter-turn rotational motion valve used to start, stop, or regulate fluid flow in a piping system. The PPH Handle Type Butterfly Valve features a durable circular disc (the "butterfly") mounted on a rotating shaft, which opens or closes with a 90-degree turn of the handle
The handle type butterfly valve is a manual operation variant, where a handle is used to open or close the valve.
The valve is light, easy to disassemble and repair, and can be installed at any position.
The structure is simple, and the operating torgue is small.
The flow characteristics tend to be straight and the adjustment performance is good.
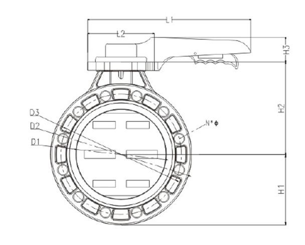
Technical Parameter
Size: 2"~8"
Flange end: DIN/ANSI/JIS
Pressure Rating: PN16
