A sampling valve is a specialized valve designed to safely and accurately extract small, representative samples of liquids from a pipeline, tank, or process system for analysis. Sampling valves are crucial in industries where quality control, contamination monitoring, or compliance testing is required.
How It Works
Valve is opened to allow a small amount of fluid into the sampling chamber.
Sample is collected via syringe, bottle, or direct feed to analyzers.
Valve reseals to prevent leaks or contamination.
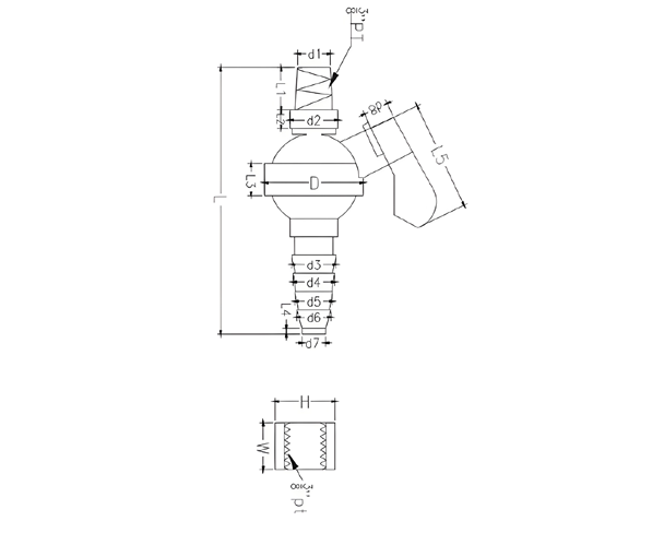
1/4" thread end or 1/2" socket end, both available.
Technical Parameter
Size: 1/4" Thread end, 1/2" (Socket end)
