This is a type of butterfly valve that uses a worm gear mechanism to operate the butteerfly valve's disc .
This design allows for precise control and is commonly used in applications requiring manual operation with high torque or where fine adjustment is needed
Stem: Stainless Steel (SS304/SS316) for corrosion resistance and durability.
Worm Gear Operator: Provides smooth, high-torque operation for larger valves, allows fine-tuned flow adjustment.
Precise Control: Allows gradual opening/closing of upvc valves, ensuring stable fluid regulation in plastic pipeline systems.
High Mechanical Advantage: Reduces effort needed to operate large-diameter valves.
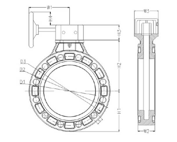
Technical Parameter
Size: 2"~12"
Flange end: DIN/ANSI/JIS/CNS
Pressure Rating: PN16
