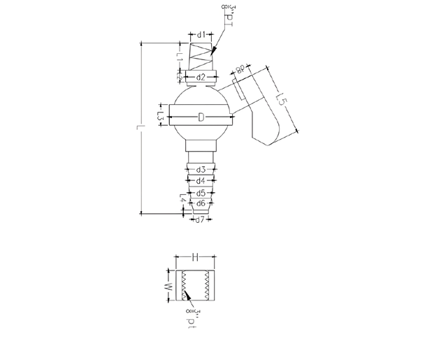
The PVDF Sampling Valve utilizes the same functional design as standard plastic sampling valves while offering superior chemical resistance through premium PVDF material construction. This precision valve enables safe extraction of representative liquid samples from pipelines, tanks, or process systems - critical for quality control, contamination monitoring, and compliance testing in demanding industries.
How It Works:
Valve opens to allow controlled fluid flow into the sampling chamber.
Samples collected via syringe, bottle, or direct analyzer feed.
Positive resealing prevents leaks and maintains system integrity.
Available with 1/4" threaded or 1/2" socket end connections.
Technical Parameter
Size: 1/4" Thread end, 1/2" (Socket end)
