Designed for corrosive fluid control, this valve combines a PVDF disc for chemical resistance. Features EPDM/FPM seals for leak-free performance in harsh environments. The worm gear operation ensures smooth, precise flow control for DN65-DN200 pipelines. Ideal for chemical processing, water treatment, and industrial applications requiring reliable shut-off. Meets PN16 pressure ratings with flange-end connections for easy installation.
Our PVDF Disc & PPH Body Worm Gear Butterfly Valve combines high-performance materials for superior chemical resistance and mechanical strength. The PVDF disc ensures exceptional durability against corrosive media, while the PPH body provides structural integrity in high-pressure systems. Features a worm gear operator for precise flow control with reduced torque effort. Equipped with EPDM/FPM seals for reliable, leak-proof performance in extreme temperatures. Compatible with DN65-DN200 pipelines, suitable for chemical, water treatment, and industrial applications. The stainless steel stem (420/SS316 on request) enhances longevity in harsh environments.
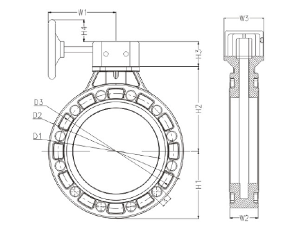
Technical Parameter
Size: 2"~12"
Flange end: DIN/ANSI/JIS/CNS
Pressure Rating: PN16
