A CPVC sampling valve is designed for safe and precise extraction of liquid samples from pipelines, tanks, or process systems. It ensures representative sampling for quality control, contamination monitoring, and compliance testing in various industries.
How It Works
The valve opens to allow controlled fluid entry into the sampling chamber.
Samples are collected via syringe, bottle, or direct analyzer connection.
The valve automatically reseals to prevent system contamination or leaks.
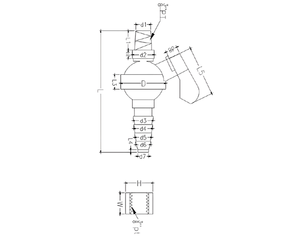
Technical Parameter
Size: 1/4" Thread end, 1/2" (Socket end)
