The Clear PVC Union maintains all the functional benefits of standard plastic unions while providing added visual monitoring capability through its transparent material construction.
Key Advantages:
Maintenance-friendly design - Can be disassembled without pipe cutting.
Leak-proof performance - Features integrated gasket/O-ring seals.
Visual flow inspection - Transparency allows for immediate process monitoring.
Chemical resistance - Suitable for mild corrosive applications.
Lightweight durability - Won't rust or corrode like metal alternatives.
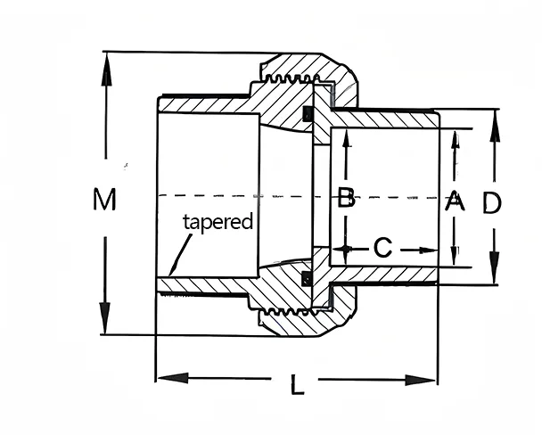
Technical Parameter
Size: 1/2'' (DN15)~4'' (DN100)
Socket: DIN/ANSI/JIS/CNS
Thread: PT/NPT/BSPT
